TQ-1G压式轮辐式测力传感器
编号:10112
查看:
发布:2021-08-05
TQ-1G压式轮辐式测力传感器其弹性体采用短而高的剪切梁,刚性特好,抗侧向力强。 TQ-1G压式轮辐式测力传感器广泛应用于汽车衡,轨道衡和吊秤等 设备上。
编号:10112
查看:
发布:2021-08-05
TQ-1G压式轮辐式测力传感器其弹性体采用短而高的剪切梁,刚性特好,抗侧向力强。 TQ-1G压式轮辐式测力传感器广泛应用于汽车衡,轨道衡和吊秤等 设备上。
产品特点:TQ-1G压式轮辐式称重传感器其弹性体采用短而高的剪切梁,刚性特好,抗侧向力强
产品用途:TQ-1G压式轮辐式称重传感器广泛应用于汽车衡,轨道衡和吊秤等 设备上。
量程:5kN(500kg)、10kN(1t)、20kN(2t)、50kN(5t)、100kN(10t)、200kN(20t)、250kN(25t)、
300kN(30t)、500kN(50t)、600kN(60t)、1000kN(100t
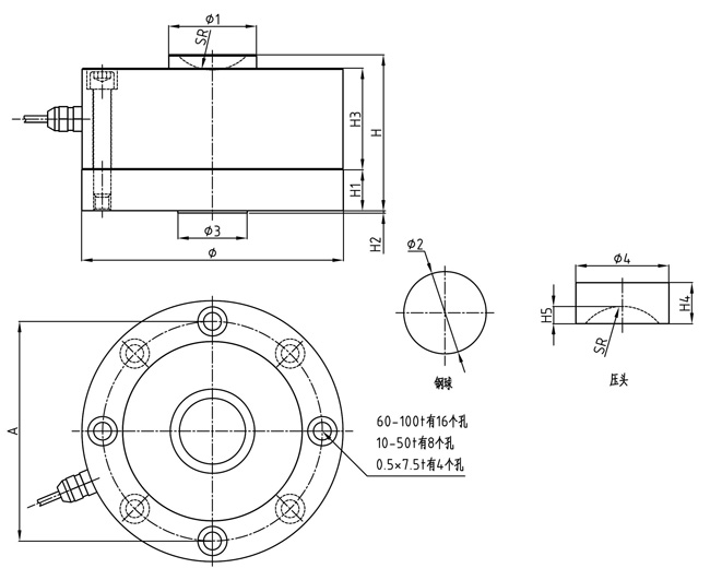
技术参数及外形尺寸:
序号 | 产品技术参数 | |
1 | 额定载荷 | 5kN-1000kN |
2 | 综合精度 | ≤0.05%F.S |
3 | 灵敏度 | 2.0mV/V |
4 | 零点输出 | ±1%F.S |
5 | 输入阻抗 | 385 /765±15Ω |
6 | 输出阻抗 | 350 /700±5Ω |
7 | 绝缘阻抗 | ≥5000MΩ |
8 | 补偿温度范围 | -10~50℃ |
9 | 适用温度范围 | -20~60℃ |
10 | 安全过载 | 120%F.S |
11 | 激励电压 | 10V(DC/AC) |
12 | 材质 | 合金钢 |
13 | 接线方式 | 红……E+(输入正) 黑……E-(输入负) 绿……S+(输出正) 白……S-(输出负) |


图片与实物略有差异,以实物为准 / 济南泰钦保留随时更改、撤消产品型号、规格的权利,恕不另行通知