TQ-1MFT轮辐式测力传感器
编号:10268
查看:
发布:2021-01-20
TQ-1MFT轮辐式测力传感器采用优质合金钢材质,表面镀镍防腐处理。具有高精度,高稳定性,低外形,安装简便、快速等特点。 TQ-1MFT适用于试验机、平台秤、料斗和油罐称重
编号:10268
查看:
发布:2021-01-20
TQ-1MFT轮辐式测力传感器采用优质合金钢材质,表面镀镍防腐处理。具有高精度,高稳定性,低外形,安装简便、快速等特点。 TQ-1MFT适用于试验机、平台秤、料斗和油罐称重
产品名称:TQ-1MFT轮辐式测力传感器
主要特点:TQ-1MFT轮辐式测力传感器采用优质合金钢材质,表面镀镍防腐处理。具有高精度,高稳定性,低外形,安装简便、快速等特点。
产品用途:TQ-1MFT适用于试验机、平台秤、料斗和油罐称重
量程:2000kN(200t)
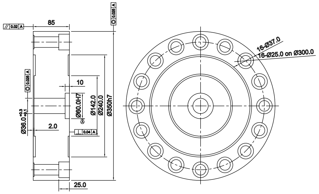
技术参数及外形尺寸:
序号 | 产品技术参数 | |
1 | 额定载荷 | 200t |
2 | 灵敏度 | 2.0mV/V±5% |
3 | 蠕变 | ±0.03%F.S/30min |
4 | 零点输出 | ±3%F.S |
5 | 滞后 | 0.10%F.S |
6 | 非线性 | 0.02%F.S |
7 | 零点温度影响 | 0.15%F.S/10℃ |
8 | 输出温度影响 | 0.026%F.S/10℃ |
9 | 输入阻抗 | 410±10Ω |
10 | 输出阻抗 | 350±3Ω |
11 | 绝缘阻抗 | ≥5000MΩ |
12 | 补偿温度范围 | -10~40℃ |
13 | 适用温度范围 | -20~60℃ |
14 | 安全过载 | 150%F.S |
15 | 激励电压 | 10V(DC/AC) |
16 | 接线方式 | 红……E+(输入正) 黑……E-(输入负) 绿……S+(输出正) 白……S-(输出负) |

图片与实物略有差异,以实物为准 / 济南泰钦保留随时更改、撤消产品型号、规格的权利,恕不另行通知