风韵论坛_杭州各区桑拿419论坛_老九品茶楼凤楼论坛官网


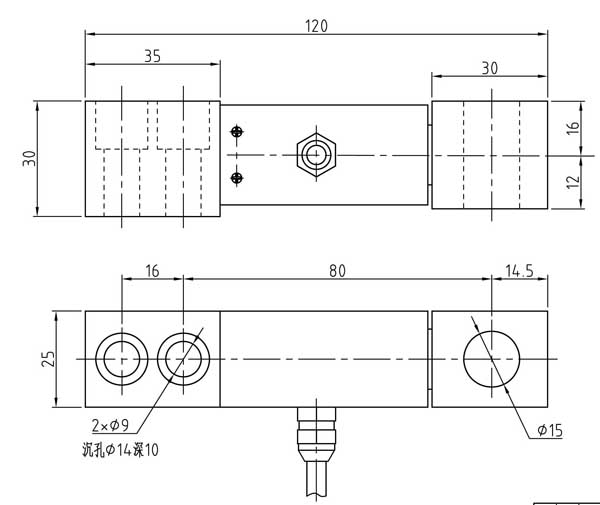
TQ-G8悬臂梁式称重传感器

编号:10243
查看:
发布:2020-07-30

TQ-G8悬臂梁式称重传感器采用不锈钢材质,安装高度低,长期稳定性好,结构紧凑,防爆性能高。 TQ-G8悬臂梁式称重传感器适用于自动化测力、试验机等力量测量。 


拨打电话
Call
在线咨询
Service


产品特点:TQ-G8悬臂梁式称重传感器采用不锈钢材质,安装高度低,长期稳定性好,结构紧凑,防爆性能高。

产品用途:TQ-G8悬臂梁式称重传感器适用于自动化测力、试验机等力量测量。

量程:50N(5kg)100N(10kg)200N(20kg)500N(50kg)1000N(100kg)2000N(200kg)

技术参数及外形尺寸:

 

序号

产品技术参数

1

额定载荷

5-200kg

2

综合精度

0.05%F.S

3

灵敏度

2.0mV/V

4

零点输出

0.1%F.S

5

输入阻抗

380±20Ω

6

输出阻抗

351±3Ω

7

绝缘阻抗

5000MΩ

8

补偿温度范围

-10~40

9

适用温度范围

-30~70

10

安全过载

150F.S

11

极限载荷

300%F.S

12

材质

合金钢

13

激励电压

10V(DC)

14

密封等级

IP67

15

电缆

3m

16

接线方式

红……E+(输入正)

黑……E-(输入负)

绿……S+(输出正)

白……S-(输出负)

图片与实物略有差异,以实物为准 / 济南泰钦保留随时更改、撤消产品型号、规格的权利,恕不另行通知 





主站蜘蛛池模板: 惠安县| 含山县| 永川市| 锦屏县| 连云港市| 彭阳县| 双鸭山市| 兴宁市| 余江县| 黄浦区| 阿巴嘎旗| 湟源县| 云林县| 南投县| 咸阳市| 昌邑市| 南安市| 蒲城县| 河津市| 沙坪坝区| 东兰县| 信丰县| 大安市| 阳春市| 五峰| 新蔡县| 沈丘县| 长兴县| 嘉善县| 澄迈县| 安西县| 芮城县| 土默特右旗| 通江县| 民乐县| 汉寿县| 敦煌市| 米林县| 福建省| 卢龙县| 微博|