TQ-A4柱式S型拉压称重传感器
编号:10119
查看:
发布:2021-08-10
TQ-A4柱式S型拉压传感器结构简单,可靠性高,互换性好。 TQ-A4柱式S型拉压传感器适用于各种配料秤、料斗秤,吊钩秤等。
编号:10119
查看:
发布:2021-08-10
TQ-A4柱式S型拉压传感器结构简单,可靠性高,互换性好。 TQ-A4柱式S型拉压传感器适用于各种配料秤、料斗秤,吊钩秤等。
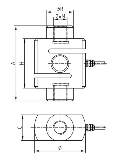
技术参数及外形尺寸:
序号 | 产品技术参数 | |
1 | 额定载荷 | 0.1-20t |
2 | 综合精度 | ≤0.05%F.S |
3 | 灵敏度 | 2.0mV/V |
4 | 输入阻抗 | 380±10Ω |
5 | 输出阻抗 | 350±3Ω |
6 | 绝缘阻抗 | ≥5000MΩ |
7 | 适用温度范围 | -20~65℃ |
8 | 安全过载 | 120%F.S |
9 | 材质 | 合金钢 |
10 | 激励电压 | 10V(DC/AC) |
11 | 接线方式 | 红……E+(电源正) 黑……E-(电源负) 绿……S+(信号正) 白……S-(信号负) |

型号 | 量程(kN) | 量程(t) | A | B | ΦB | Φ | M | C |
TQ-A4 | 1-5 | 0.1-0.5 | 88 | 58 | 28 | 44 | M16×1.5 | 26 |
7 | 0.7 | 88 | 58 | 32 | 44 | M16×1.5 | 30 | |
10-50 | 1-5 | 120 | 68 | 51 | 63 | M22×2.5 | 48 | |
70-150 | 7-15 | 138 | 94 | 60 | 76 | M30×3.5 | 56 | |
200 | 20 | 156 | 108 | 68.5 | 88 | M36×3 | 76 |
图片与实物略有差异,以实物为准 / 济南泰钦保留随时更改、撤消产品型号、规格的权利,恕不另行通知