TQ-A6方S型拉压称重传感器
编号:10120
查看:
发布:2023-09-23
TQ-A6方S型拉压传感器结构紧凑,综合精度高,长期稳定性好,优质合金钢,表面镀镍处理。 TQ-A6方S型拉压传感器适用于吊钩秤、配料称重控制、机械衡的机电改造。
编号:10120
查看:
发布:2023-09-23
TQ-A6方S型拉压传感器结构紧凑,综合精度高,长期稳定性好,优质合金钢,表面镀镍处理。 TQ-A6方S型拉压传感器适用于吊钩秤、配料称重控制、机械衡的机电改造。
序号 | 产品技术参数 | |
1 | 额定载荷 | 50-5000kg |
2 | 综合精度 | 0.02%F.S |
3 | 灵敏度 | 2.0mV/V±0.2% |
4 | 输入阻抗 | 385±15Ω |
5 | 输出阻抗 | 350±3Ω |
6 | 绝缘阻抗 | ≥5000MΩ |
7 | 补偿温度范围 | -10~40℃ |
8 | 安全过载 | 150%F.S |
9 | 材质 | 合金钢 |
10 | 激励电压 | 10V(DC) |
11 | 密封等级 | IP66;IP67 |
12 | 接线方式 | 绿……E+(输入正) 黑……E-(输入负) 黄……E-(反馈正) 蓝……E-(反馈负) 白……S+(信号正) 红……S-(信号负) 黄(长)......屏蔽线 |

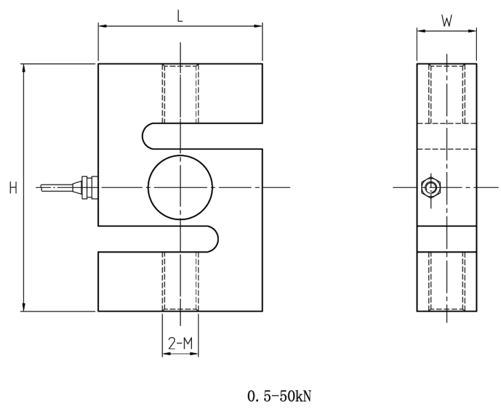
型号 | 量程(kN) | 量程(kg) | H | L | W | M |
TQ-A6 | 0.5-2 | 50-200 | 77 | 50.8 | 18.5 | M10×1 |
3 | 300 | 77 | 50.8 | 24.4 | M10×1 | |
5 | 500 | 77 | 50.8 | 24.4 | M12×1 | |
7-15 | 700-1500 | 77 | 50.8 | 36 | M12×1 | |
20 | 2000 | 86 | 70 | 45 | M16×1.5 | |
30 | 3000 | 100 | 80 | 50 | M18×1.5 | |
50 | 5000 | 130 | 92 | 58 | M20×2 |
图片与实物略有差异,以实物为准 / 济南泰钦保留随时更改、撤消产品型号、规格的权利,恕不另行通知