CH-LP3单点式称重传感器
编号:10416
查看:
发布:2022-05-20
CH-LP3铝制单点式称重传感器为单点承载结构,出厂时已通过四角调整保证其在规定的受载平面内各点输出一致。产品结构形式简单,使用方便。适用于制作由单只传感器构成的各
编号:10416
查看:
发布:2022-05-20
CH-LP3铝制单点式称重传感器为单点承载结构,出厂时已通过四角调整保证其在规定的受载平面内各点输出一致。产品结构形式简单,使用方便。适用于制作由单只传感器构成的各
产品名称:CH-LP3单点式称重传感器
产品特点:CH-LP3铝制单点式称重传感器为单点承载结构,出厂时已通过四角调整保证其在规定的受载平面内各点输出一致。产品结构形式简单,使用方便。适用于制作由单只传感器构成的各种形式电子台秤。
量程:500N(50kg)、600N(60kg)、1 kN(100kg)、1.5kN(150kg)、2 kN(200kg)、3kN(300kg)、5kN(500kg)、8kN(800kg)
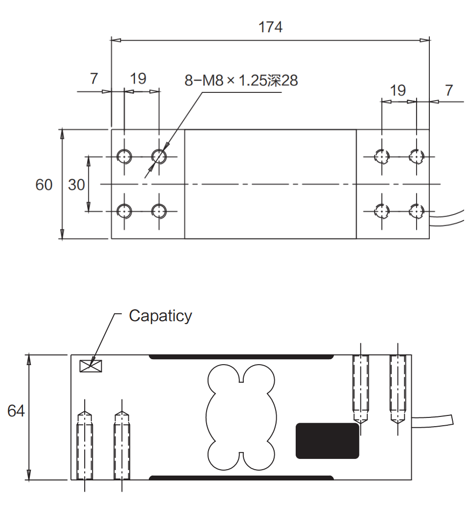
外形尺寸:

CH-LP3 技术参数 | |||
额定输出 | 2.0mV/V±5% | 输入阻抗 | 410±15Ω |
非线性 | ±0.02%F.S | 输出阻抗 | 350±5Ω |
滞后性 | <±0.02%F.S | 绝缘电阻 | ≥5000MΩ |
重复性 | <±0.02%F.S | 允许激励电压 | 5~15V/DC |
蠕变 | <±0.02%F.S/30min | 补偿温度范围 | -10℃~+40℃ |
零点温度影响 | <±0.02%/10℃ | 工作温度范围 | -30℃~+70℃ |
输出温度影响 | <±0.02%/10℃ | 安全过载 | 150%F.S |
零点平衡 | <±1%F.S | 极限过载 | 200%F.S |
接线方式 | 激励:+红 -黑 信号:+绿 -白 屏蔽:黄 | ||