TQ-1L轮辐式测力传感器
编号:10115
查看:
发布:2021-08-05
TQ-1L扭环式传感器外形尺寸小、量程覆盖面大、精度高;安装方便、抗偏载能力强、抗冲击性能好,防潮密封,适应恶劣环境。 TQ-1L扭环式传感器广泛应用于汽车衡、料斗秤、配料秤等行业。
编号:10115
查看:
发布:2021-08-05
TQ-1L扭环式传感器外形尺寸小、量程覆盖面大、精度高;安装方便、抗偏载能力强、抗冲击性能好,防潮密封,适应恶劣环境。 TQ-1L扭环式传感器广泛应用于汽车衡、料斗秤、配料秤等行业。
产品特点:TQ-1L扭环式测力传感器外形尺寸小、量程覆盖面大、精度高;安装方便、抗偏载能力强、抗冲击性能好,防潮密封,适应恶劣环境。
产品用途:TQ-1L扭环式测力传感器广泛应用于汽车衡、料斗秤、配料秤等行业。
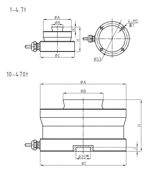
量程: 10kN(1t)、22kN(2.2t)、47kN(4.7t)、100kN(10t)、150kN(15t)、220kN(22t)、330kN(33t)、470kN(47t)、680kN(68t)、1000kN(100t)、1500kN(150t)、2200kN(220t)、3300kN(330t)、4700kN(470t)
技术参数及外形尺寸:
序号 | 产品技术参数 | |
1 | 额定载荷 | 10kN-4700kN(1t-470t) |
2 | 综合精度 | ≤0.05%F.S |
3 | 灵敏度 | 2.85mV/V±1% |
4 | 零点输出 | ≤0.1%F.S |
5 | 输入阻抗 | 1450±10Ω |
6 | 输出阻抗 | 1402±5Ω |
7 | 绝缘阻抗 | ≥5000MΩ |
8 | 补偿温度范围 | -10~40℃ |
9 | 工作温度范围 | -30~70℃ |
10 | 材质 | 合金钢/不锈钢 |
11 | 推荐激励电压 | 10V(DC) |
12 | 接线方式 | 红……E+(输入正) 黑……E-(输入负) 绿……S+(输出正) 白……S-(输出负) |


图片与实物略有差异,以实物为准 / 济南泰钦保留随时更改、撤消产品型号、规格的权利,恕不另行通知