TQ-L6G平行梁称重传感器
编号:10142
查看:
发布:2020-08-14
TQ-L6G平行梁称重传感器采用金属外壳防护,且通过四角调整保证其在规定的受载平面内各点输出一致。产品结构形式简单,使用方便。 TQ-L6G平行梁称重传感器适用于包装秤、电子皮带秤及配料秤等。
编号:10142
查看:
发布:2020-08-14
TQ-L6G平行梁称重传感器采用金属外壳防护,且通过四角调整保证其在规定的受载平面内各点输出一致。产品结构形式简单,使用方便。 TQ-L6G平行梁称重传感器适用于包装秤、电子皮带秤及配料秤等。
TQ-L6G平行梁称重传感器(合金钢)
产品特点:TQ-L6G钢制平行梁称重传感器采用金属外壳防护,且通过四角调整保证其在规定的受载平面内各点输出一致。产品结构形式简单,使用方便。
产品用途:TQ-L6G平行梁称重传感器适用于包装秤、电子皮带秤及配料秤等。
量程: 500N(50kg)、1 kN(100kg)、1.5 kN(150kg)、2 kN(200kg)、3 kN(300kg)、5 kN(500kg)、7 kN(700kg)、10 kN(1000kg)
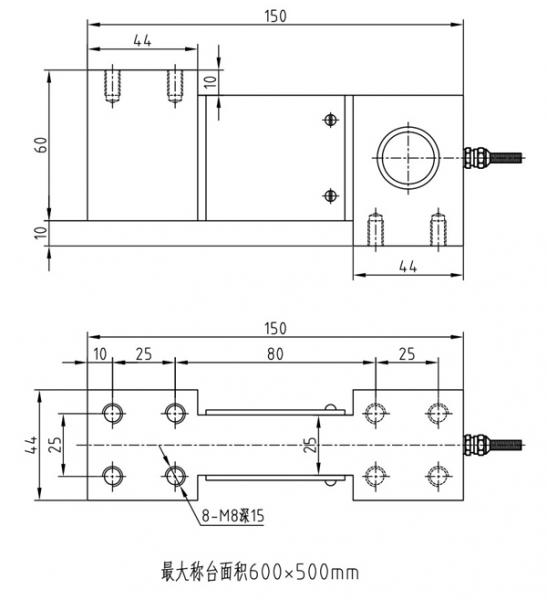
技术参数及外形尺寸:
序号 | 产品技术参数 | |
1 | 额定载荷 | 50-1000kg |
2 | 综合精度 | 0.02-0.05%F.S |
3 | 额定输出 | 2.0mV/V |
4 | 蠕变 | ±0.02%F.S/30min |
5 | 零点输出 | ±1%F.S |
6 | 零点温度影响 | ±0.02%F.S/10℃ |
7 | 输出温度影响 | ±0.02%F.S/10℃ |
8 | 输入阻抗 | 380±10Ω |
9 | 输出阻抗 | 350±3Ω |
10 | 绝缘阻抗 | >5000MΩ |
11 | 工作温度范围 | -20~65℃ |
12 | 安全过载 | 150%F.S |
13 | 推荐工作电压 | 10DC |
14 | 接线方式 | 红……E+(输入正) 黑……E-(输入负) 绿……S+(输出正) 白……S-(输出负) |

图片与实物略有差异,以实物为准 / 济南泰钦保留随时更改、撤消产品型号、规格的权利,恕不另行通知