TQ-1R轮辐式称重传感器
编号:10275
查看:
发布:2019-01-30
TQ-1R单向轮辐式称重传感器采用优质合金钢材质,高精度,高稳定性,低外形,安装简便、快速,表层镀镍防腐处理。 TQ-1R单向轮辐式称重传感器适用于试验机,汽车衡和大型料斗秤等。
编号:10275
查看:
发布:2019-01-30
TQ-1R单向轮辐式称重传感器采用优质合金钢材质,高精度,高稳定性,低外形,安装简便、快速,表层镀镍防腐处理。 TQ-1R单向轮辐式称重传感器适用于试验机,汽车衡和大型料斗秤等。
产品特点:TQ-1R单向轮辐式称重传感器采用优质合金钢材质,高精度,高稳定性,低外形,安装简便、快速,表层镀镍防腐处理。
产品用途:TQ-1R单向轮辐式称重传感器适用于试验机,汽车衡和大型料斗秤等。
量程: 20 kN(2t)、 30 kN(3t)、200 kN(20t)、300 kN(30t)
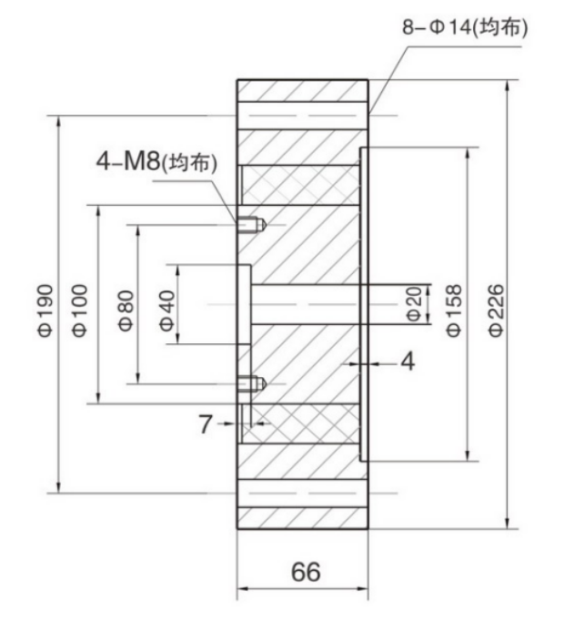
技术参数及外形尺寸:
序号 产品技术参数 1 额定载荷 2t,3t,20t,30t 2 综合精度 0.1%F.S 3 灵敏度 1.5mV/V 4 非线性 ≤0.1%F.S 5 滞后 ≤0.1%F.S 6 重复性 ≤0.05%F.S 7 输入阻抗 380/760Ω 8 输出阻抗 350/700Ω 9 绝缘阻抗 ≥2000MΩ 10 灵敏度系数温度影响 <0.05%F.S/10℃ 11 零点温度影响 <0.05%F.S/10℃ 12 推荐激励电压 10V(DC) 13 激励电压范围 6-12V(DC) 14 适用温度范围 -30~70℃ 15 安全过载 120%F.S 16 接线方式 红……E+(输入正) 黑……E-(输入负) 绿……S+(输出正) 白……S-(输出负)
图片与实物略有差异,以实物为准 / 济南泰钦保留随时更改、撤消产品型号、规格的权利,恕不另行通知